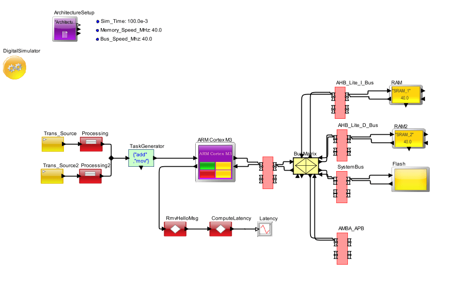
Quick Explanation
- Supports a 3 stage pipeline with branch speculation.
- Supports preemption
- Supports AMBA interface
- Support interrupt
- 16-bit and 32-bit
- ARMv7-M instruction set
- Support FPU
- 240 interrupts available
- 12 cycle interrupt latency.
- Integrated sleep modes.
Protocol
- ARM Cortex M3 + FPU


